Table of Contents
Foreoptics
Foreoptic Focusing
Rational
Suns diameter is 0.5 degrees but is magnified by the first 2 lenses by 1.5 (LE2 – 3”/ LE3 – 2”), therefore 0.5*1.5/57= 0.01316 in radians * 3” focal length = 0.03947” (1.003mm) is the size of the sun at its focal point in the visible. However the lens is placed at the UV focus of 2.85” away from the slit, so the size of the suns image will be larger by 5%. This means the suns image would be 0.03947*1.05=0.04145” (1.053mm) or about 1/3 the length of the slit.
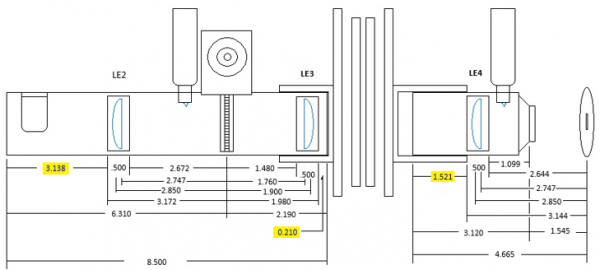
LE2
Tube end to Iris Length 6.310” (160.27mm) Focal length 3.000” (76.2mm) UV focal length is 95% of visible focal length 2.85” (72.39) Focal Plane starts 1/3 the thickness of the lens when light travels through a Plano-convex lens from the curved surface towards the plane surface LE2 thickness 0.155” (3.94mm) Lens holder thickness 0.500 (12.7mm) Plane surface of lens to edge of holder 0.075” (1.9mm) Therefore:
From the iris to the focal plane of the lens will be 2.85” (72.39mm) in the UV. Subtract 2/3 the thickness of the lens (.103”/2.62mm) equals 2.747(69.77mm). Subtract the amount to get to the inside edge of the lens holder(.075”/1.9mm) equals 2.672”(67.87mm) plus holder thickness (0.5”/12.7mm) to find the outside face of the lens holder equals 3.172”(80.57mm).
Total distance from end of the fore-optic tube to the iris is 6.310”(160.27mm) subtract 3.172”(80.57mm) equals 3.138”(79.71mm) from the end of the fore-optics to the outer edge of the lens holder.
LE3
Tube end to Iris Length 2.190” (55.63mm) Focal length 2.000” (50.8mm) UV focal length is 95% of visible focal length 1.900” (48.26mm) Focal Plane starts at the curved surface of the lens when parallel light travels through a Plano-convex lens from the plane surface towards the curved surface, but diverging light causes the focal plane to be 1/3 the thickness of the lens from the curved surface towards the plane surface. LE3 thickness 0.210” (5.33mm) Lens holder thickness 0.500 (12.7mm) Plane surface of lens to edge of holder 0.280” (7.11mm)
Therefore:
From the iris to focal plane of the lens in the UV is 1.900” (48.26mm). Subtract 2/3 the thickness of the lens (.140”/3.56mm) equals 1.760” (44.70mm), to the plane surface of the lens. Subtract the amount to get to the inside edge of the lens holder 0.280” (7.11mm) equals 1.480” (37.59mm). Add the holder thickness 0.500 (12.7mm) to find the outside face of the lens holder equals 1.980” (50.29mm).
Total distance from end of the fore-optic tube to the iris is 2.190”(55.63mm) subtract 1.980”(50.29mm) equals 0.210”(5.34mm) from the end of the fore-optics to the outer edge of the lens holder.
LE4
Tube end to Entrance slit Length 4.665” (118.49mm) (Tube end to taper 3.12” (79.25mm), entrance slit to outer bulkhead edge 1.545” (39.24mm) Focal length 3.000” (76.2mm) UV focal length is 95% of visible focal length 2.85” (72.39) Focal Plane starts 1/3 the thickness of the lens when light travels through a Plano-convex lens from the curved surface towards the plane surface LE4 thickness 0.155” (3.94mm) Lens holder thickness 0.500 (12.7mm) Plane surface of lens to edge of holder 0.103” (2.62mm)
Therefore:
From the entrance slit to the focal plane of the lens will be 2.85” (72.39mm) in the UV. Subtract 2/3 the thickness of the lens (0.103”/2.62mm) equals 2.747(69.77mm). Subtract the amount to get to the inside edge of the lens holder (0.103”/2.62mm) equals 2.644” (67.16mm) plus holder thickness (0.5”/12.7mm) to find the outside face of the lens holder equals 3.144” (79.86mm).
Total distance from end of the fore-optic tube to the entrance slit is 4.665”(118.49mm) subtract 3.144”(79.86mm) equals 1.521”(38.63mm) from the end of the fore-optics to the outer edge of the lens holder.
Extras
foreoptics_focus_calculations3.docx - Original Doc







