HVB (Depreciated)
NOTE: As of version 7.33, HVB has been depreciated. HV will be used for both multiboard & single board electronics.
High Voltage Test (MB)
The HVB command is a modification of the HV command and should only be used on the multi-board electronics. The multi-board electronics is incapable of automatically performing this test meaning manual adjustments are required during the high voltage test. The HVB modification allows the technician to use the UP sighting BUTTON to indicate that the manual adjustment has been made and to continue the test. If the HV command is used with the multi-board electronics the technician must walk back to the terminal to press enter to continue the test.
The HV command invokes a test used to determine the optimum high voltage setting for the photomultiplier.
The Standard Lamp is turned on, the iris is opened, FW#1 is put to position 1, and FW#2 is set to position 0
To run an automatic high voltage test for single board (new electronics) use HV.
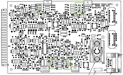
Procedure (MB)
- Ensure the instrument is able to run diagnostic data (As it still required to measure the SL Bulb)
- Turn the instrument off
- Take the lid off the Brewer.
- Take the cover off the Secondary power supply
- Turn the brewer on
- Run the command “HVB” in dosbox
- Follow the dosbox prompt (See Suggested Values for more info)
- During the lamp warm up, set the multimeter to the voltage setting, and insert the leads to GND and HV on the panel beside the secondary power supply
- The Iris will move to the from the middle to the open position, then back to the middle, Once it is at the middle you may proceed to next voltage
- Repeat until you have completed the High voltage test
Suggested values
| Description | Suggested values | |
|---|---|---|
| Photomultiplier serial Number: | Enter the brewer serial number | IE: 046 |
| Preame Voltage level | Enter the discriminator (PMT) voltage | 52mm PMT are typically around -30mV, where as 22mm PMT are usually around -10mV |
| Min Voltage | Where to start measuring the high voltage test from | For MB, usually around -900~-1000v |
| Max Voltage | Where to end the high voltage test at | For MV, usually around -1700 |
| Increment | Increment per level | For MB, 50, for SB, 25 |
| High Voltage(V) | Measured Voltage(V) |
|---|---|
| 900 | -4.5 |
| 950 | -4.75 |
| 1000 | -5.00 |
| 1050 | -5.20 |
| 1100 | -5.50 |
| 1150 | -5.75 |
| 1200 | -6.00 |
| 1250 | -6.25 |
| 1300 | -6.50 |
| 1350 | -6.75 |
| 1400 | -7.00 |
| 1450 | -7.25 |
| 1500 | -7.50 |
| 1550 | -7.75 |
| 1600 | -8.00 |
| 1650 | -8.25 |
| 1700 | -8.50 |
| 1750 | -8.75 |
| 1800 | -9.00 |
